进口产品国产化替代
卡套接头、球阀、针阀源头工厂
网站首页
关于我们
产品中心
仪表管接头
仪表球阀
仪表针型阀
单向阀
比例卸荷阀
通用仪表阀门接头
中高压仪表阀门接头
减压阀/背压阀
过滤器
工艺截止阀
测量装置/气源分配器/取样装置/取样钢瓶
面向所有行业的定制加工
新闻资讯
公司新闻
行业动态
产品百科
联系我们
致力于进口产品的国产化替代
卡套接头、球阀、针阀等仪表阀门管件源头工厂
150-508-62702(微信同号)
首页
关于我们
产品中心
仪表管接头
卡套接头
螺纹接头
焊接接头
钢瓶接头
VCR接头
自动焊接头
仪表球阀
B1系列通用型球阀
B2系列高性能球阀
B3系列六方棒料球阀
GB1系列低压三片式球阀
GB3系列高压三片式球阀
气动执行机构
符合ISO5211标准的气动执行机构
仪表针型阀
N1系列四方棒料针阀
N2系列一体锻造针阀
N3系列整体式阀帽针阀
N4系列四方锻件针阀
N5系列拨动开关针阀
N6系列安全阀帽针阀
N7系列非旋转阀杆针阀
通用仪表阀门接头
波纹管阀
计量阀
金属软管
快速接头
CTS系列毛细管接头
PG系列不锈钢压力表
GV1系列压力表阀
仪表阀组
仪表管
减压阀/背压阀
APR0系列钢瓶膜片减压阀
APR1系列高精密隔膜减压阀
APR2系列常规活塞减压阀
APR3系列大流量膜片减压阀
APR4系列大流量活塞减压阀
ABPR1系列常规隔膜背压阀
ABPR2系列中高压背压阀
ABPR3系列大流量膜片背压阀
ABPR4系列大流量活塞背压阀
中高压仪表阀门接头
中高压接头
中高压钢管
中高压球阀
中高压针阀
中高压单向阀
中高压过滤器
中高压卸荷阀
单向阀
CV系列通用型单向阀
CH系列高压型单向阀
CP系列一体式单向阀
CA系列可调节式单向阀
CPA系列一体式可调节式单向阀
比例卸荷阀
RL1系列低压小流量比例卸荷阀
RL2系列低压大流量比例卸荷阀
RL3系列高压小流量比例卸荷阀
RL4系列高压大流量比例卸荷阀
过滤器
F系列直通型过滤器
TF系列T型过滤器
FW系列一体式过滤器
工艺截止阀
Y型截止阀
T型截止阀
测量装置/气源分配器/取样装置/取样钢瓶
温度仪表连接件
气源分配器
取样装置
取样钢瓶
面向所有行业的定制加工
新闻资讯
公司新闻
行业动态
产品百科
联系我们
60系列高压锥面螺纹接头
品质国货 匠心制造
您当前的位置:
首页
>
产品中心
>
中高压仪表阀门接头
>
中高压接头
>
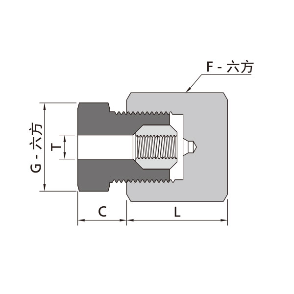
60系列高压锥面螺纹接头
60管帽
发布时间:2024-09-13 11:13:32 访问次数:1059
上一条:
60轴环
下一条:
60堵头
服务支持
快速询价
150-508-62702
微信咨询
在线咨询
热门产品
查看更多
60堵头
60高压螺纹四通接头
60高压螺纹直通接头
60高压螺纹穿板直通接头
60高压螺纹三通接头
60高压螺纹滑块直通接头
微信咨询
联系电话
15050862702
16651710888
返回顶部