进口产品国产化替代

卡套接头、球阀、针阀源头工厂

致力于进口产品的国产化替代

卡套接头、球阀、针阀等仪表阀门管件源头工厂

150-508-62702(微信同号)
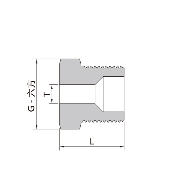
60系列高压锥面螺纹接头

60系列高压锥面螺纹接头

工作压力:4137bar(60000psig),

工作温度范围:-252℃至649℃(-423℉至1200℉),

用于连接T60系列无缝直管,适用于外径为1/4in、3/8in和9/16in的无缝直管,

高强度316不锈钢材质。

微信二维码
产品选型与快速询价
拨打:150-508-62702

结构材料

60系列高压锥面螺纹接头结构材料

注:所有组件均为不锈钢材质


选型说明

60系列高压锥面螺纹接头选型说明

注: 产品型号仅做参考,不能随意组合,具体型号以最终技术确认为准。