进口产品国产化替代

卡套接头、球阀、针阀源头工厂

致力于进口产品的国产化替代

卡套接头、球阀、针阀等仪表阀门管件源头工厂

150-508-62702(微信同号)
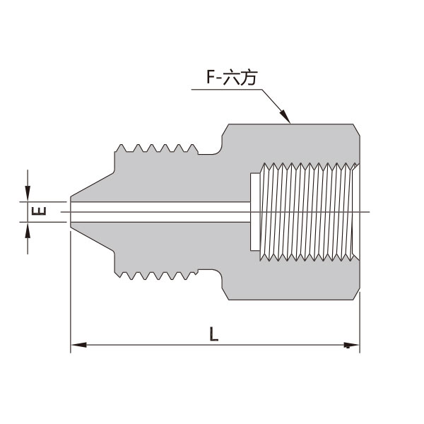
中高压转换接头

中高压转换接头

工作温度范围:-252℃至649℃(-423℉至1200℉),

高强度316不锈钢材质。

微信二维码
产品选型与快速询价
拨打:150-508-62702

选型说明

中高压转换接头选型说明

注:选型说明仅做参考,不能随意组合,具体型号以最终技术确认为准。