进口产品国产化替代

卡套接头、球阀、针阀源头工厂

致力于进口产品的国产化替代

卡套接头、球阀、针阀等仪表阀门管件源头工厂

150-508-62702(微信同号)

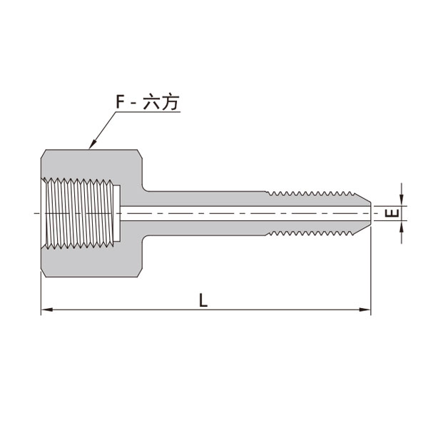
NPT阴螺纹-60高压螺纹管

发布时间:2024-09-13 13:55:29 访问次数:1060

NPT阴螺纹-60高压螺纹管

NPT阴螺纹-60高压螺纹管型号尺寸规格参数表